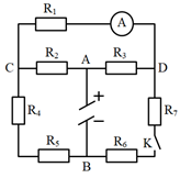
Cho mạch điện như hình vẽ. \\({R_1} = {R_3} = {R_4} = {R_5} = 6\\Omega ;\\,\\,{R_2} = 12\\Omega ;\\,\\,{R_6} = 4\\Omega ;\\,\\,{R_7} = 2\\Omega ;\\,\\,U = 12V\\). Bỏ qua điện trở của Ampe kế và khóa K. Tính số chỉ của Ampe kế khi K mở.

Phương pháp giải:
Vẽ lại mạch điện tương đương
Điện trở của đoạn mạch nối tiếp: \({R_{nt}} = {R_1} + {R_2} + ...\)
Điện trở của đoạn mạch mắc song song: \(\dfrac{1}{{{R_{//}}}} = \dfrac{1}{{{R_1}}} + \dfrac{1}{{{R_2}}} + ...\)
Công thức định luật Ôm: \(I = \dfrac{U}{R}\)
Giải chi tiết:
Khi K mở, ta có mạch điện tương đương:

Cấu tạo mạch điện: \(\left[ {{R_2}//\left( {{R_3}nt{R_1}} \right)} \right]nt{R_4}nt{R_5}\)
Ta có: \({R_3}nt{R_1} \Rightarrow {R_{31}} = {R_3} + {R_1} = 6 + 6 = 12\,\,\left( \Omega \right)\)
\(\begin{array}{l}{R_2}//{R_{13}} \Rightarrow {R_{123}} = \dfrac{{{R_2}.{R_{13}}}}{{{R_2} + {R_{13}}}} = \dfrac{{12.12}}{{12 + 12}} = 6\,\,\left( \Omega \right)\\{R_{123}}nt{R_4}nt{R_5} \Rightarrow {R_{AB}} = {R_{123}} + {R_4} + {R_5} = 6 + 6 + 6 = 18\,\,\left( \Omega \right)\end{array}\)
Cường độ dòng điện qua mạch là:
\(I = \dfrac{U}{{{R_{AB}}}} = \dfrac{{12}}{{18}} = \dfrac{2}{3}\,\,\left( A \right)\)
Ta có: \({I_{123}} = {I_4} = {I_5} = I = \dfrac{2}{3}\,\,\left( A \right)\)
Hiệu điện thế \({U_2} = {U_{13}} = {U_{123}} = {I_{123}}.{R_{123}} = \dfrac{2}{3}.6 = 4\,\,\left( V \right)\)
Ta có: \({I_1} = {I_3} = {I_{13}} = \dfrac{{{U_{13}}}}{{{R_{13}}}} = \dfrac{4}{{12}} = \dfrac{1}{3}\,\,\left( A \right)\)
Số chỉ của Ampe kế là \({I_A} = {I_1} = \dfrac{1}{3}\,\,\left( A \right)\)
Chọn A.
Pha Ngừm đã thành lập nước Lan Xang vào năm nào?
Quê hương của phong trào văn hóa Phục hưng là
Người chỉ huy đoàn tham hiểm lần đầu tiên đi vòng quanh trái đất bằng đường biển là
Công trình kiến trúc tiêu biểu của vương quốc Cam-pu-chia thời phong kiến là
Kinh đô của nước ta dưới thời Ngô là
Người Cam-pu-chia đã sáng tạo ra chữ viết vào thời gian nào?
Bằng kiến thức đã học về cuộc kháng chiến chống quân xâm lược Tống (1075 - 1077), em hãy:
a. Chỉ ra những nét độc đáo trong cách đánh giặc của Lý Thường Kiệt?
b. Đánh giá vai trò của Lý Thường Kiệt trong cuộc kháng chiến?
Quốc hiệu của nước ta dưới thời Đinh – Tiền Lê là
Em hãy trình bày sự hình thành và phát triển của các vương quốc phong kiến Đông Nam Á từ nửa sau thế kỷ X đến đầu thế kỷ XVI?
Công trình kiến trúc tiêu biểu của vương quốc Lào thời phong kiến là