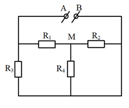
Cho mạch điện như hình vẽ. Biết \\({R_1} = {R_3} = 18\\,\\,\\Omega ;\\,\\,{R_2} = 27\\,\\,\\Omega ;\\,\\,{R_4} = 54\\,\\,\\Omega \\). Cường độ dòng điện mạch chính là 2 A. tính cường độ dòng điện qua điện trở \\({R_1}\\).

Phương pháp giải:
Điện trở tương đương của đoạn mạch nối tiếp: \(R = {R_1} + {R_2} + ... + {R_n}\)
Điện trở tương đương của đoạn mạch song song: \(\dfrac{1}{{{R_{//}}}} = \dfrac{1}{{{R_1}}} + \dfrac{1}{{{R_2}}} + ... + \dfrac{1}{{{R_n}}}\)
Công thức định luật Ôm: \(I = \dfrac{U}{R}\)
Giải chi tiết:
Ta có mạch điện tương đương:

Cấu tạo mạch điện: \({R_3}//\left[ {{R_1}nt\left( {{R_2}//{R_4}} \right)} \right]\)
Ta có điện trở tương đương:
\(\begin{array}{l}{R_{24}} = \dfrac{{{R_2}.{R_4}}}{{{R_2} + {R_4}}} = \dfrac{{27.54}}{{27 + 54}} = 18\,\,\left( \Omega \right)\\{R_{124}} = {R_1} + {R_{24}} = 18 + 18 = 36\,\,\left( \Omega \right)\\{R_{AB}} = \dfrac{{{R_3}.{R_{124}}}}{{{R_3} + {R_{124}}}} = \dfrac{{18.36}}{{18 + 36}} = 12\,\,\left( \Omega \right)\end{array}\)
Hiệu điện thế giữa hai đầu mạch điện là:
\({U_{AB}} = I.{R_{AB}} = 2.12 = 24\,\,\left( V \right)\)
Ta có: \({U_{124}} = {U_3} = {U_{AB}} = 24\,\,\left( V \right)\)
Cường độ dòng điện: \({I_1} = {I_{24}} = {I_{124}} = \dfrac{{{U_{124}}}}{{{R_{124}}}} = \dfrac{{24}}{{36}} = 0,67\,\,\left( A \right)\)
Chọn B.
Pha Ngừm đã thành lập nước Lan Xang vào năm nào?
Người chỉ huy đoàn tham hiểm lần đầu tiên đi vòng quanh trái đất bằng đường biển là
Em hãy trình bày sự hình thành và phát triển của các vương quốc phong kiến Đông Nam Á từ nửa sau thế kỷ X đến đầu thế kỷ XVI?
Quốc hiệu của nước ta dưới thời Đinh – Tiền Lê là
Kinh đô của nước ta dưới thời Ngô là
Người Cam-pu-chia đã sáng tạo ra chữ viết vào thời gian nào?
Bằng kiến thức đã học về cuộc kháng chiến chống quân xâm lược Tống (1075 - 1077), em hãy:
a. Chỉ ra những nét độc đáo trong cách đánh giặc của Lý Thường Kiệt?
b. Đánh giá vai trò của Lý Thường Kiệt trong cuộc kháng chiến?
Công trình kiến trúc tiêu biểu của vương quốc Lào thời phong kiến là
Quê hương của phong trào văn hóa Phục hưng là
Công trình kiến trúc tiêu biểu của vương quốc Cam-pu-chia thời phong kiến là