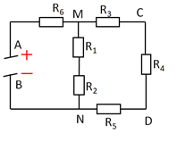
Cho mạch điện như hình vẽ. Biết \\({R_1} = {R_2} = {R_3} = {R_4} = {R_5} = 5\\Omega ;\\,\\,{R_6} = 6\\Omega ;\\,\\,U = 6V\\). Tính hiệu điện thế hai đầu điện trở \\({R_4}\\).

Phương pháp giải:
Vẽ lại mạch điện tương đương
Điện trở tương đương của đoạn mạch nối tiếp: \(R = {R_1} + {R_2} + ... + {R_n}\)
Điện trở tương đương của đoạn mạch song song: \(\dfrac{1}{{{R_{//}}}} = \dfrac{1}{{{R_1}}} + \dfrac{1}{{{R_2}}} + ... + \dfrac{1}{{{R_n}}}\)
Công thức định luật Ôm: \(I = \dfrac{U}{R}\)
Giải chi tiết:
Ta có mạch điện tương đương:

Cấu tạo mạch điện: \({R_6}nt\left[ {\left( {{R_1}nt{R_2}} \right)//\left( {{R_3}nt{R_4}nt{R_5}} \right)} \right]\)
Ta có điện trở tương đương:
\(\begin{array}{l}{R_{12}} = {R_1} + {R_2} = 5 + 5 = 10\,\,\left( \Omega \right)\\{R_{345}} = {R_3} + {R_4} + {R_5} = 5 + 5 + 5 = 15\,\,\left( \Omega \right)\\{R_{12345}} = \dfrac{{{R_{12}}.{R_{345}}}}{{{R_{12}} + {R_{345}}}} = \dfrac{{10.15}}{{10 + 15}} = 6\,\,\left( \Omega \right)\\{R_{AB}} = {R_6} + {R_{12345}} = 6 + 6 = 12\,\,\left( \Omega \right)\end{array}\)
Cường độ dòng điện mạch chính là:
\(I = \dfrac{U}{{{R_{AB}}}} = \dfrac{6}{{12}} = 0,5\,\,\left( A \right)\)
Hiệu điện thế \({U_{12345}} = I.{R_{12345}} = 6.0,5 = 3\,\,\left( V \right)\)
Ta có: \({U_{12}} = {R_{345}} = {U_{12345}} = 3\,\,\left( V \right)\)
Cường độ dòng điện: \({I_{345}} = \dfrac{{{U_{345}}}}{{{R_{345}}}} = \dfrac{3}{{15}} = 0,2\,\,\left( A \right)\)
Ta có: \({I_3} = {I_4} = {I_5} = {I_{345}} = 0,2\,\,\left( A \right)\)
Chọn A.
Công trình kiến trúc tiêu biểu của vương quốc Cam-pu-chia thời phong kiến là
Pha Ngừm đã thành lập nước Lan Xang vào năm nào?
Quốc hiệu của nước ta dưới thời Đinh – Tiền Lê là
Người Cam-pu-chia đã sáng tạo ra chữ viết vào thời gian nào?
Quê hương của phong trào văn hóa Phục hưng là
Em hãy trình bày sự hình thành và phát triển của các vương quốc phong kiến Đông Nam Á từ nửa sau thế kỷ X đến đầu thế kỷ XVI?
Công trình kiến trúc tiêu biểu của vương quốc Lào thời phong kiến là
Kinh đô của nước ta dưới thời Ngô là
Bằng kiến thức đã học về cuộc kháng chiến chống quân xâm lược Tống (1075 - 1077), em hãy:
a. Chỉ ra những nét độc đáo trong cách đánh giặc của Lý Thường Kiệt?
b. Đánh giá vai trò của Lý Thường Kiệt trong cuộc kháng chiến?
Người chỉ huy đoàn tham hiểm lần đầu tiên đi vòng quanh trái đất bằng đường biển là