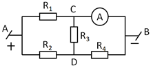
Cho mạch điện như hình vẽ. Biết \\({R_1} = {R_2} = {R_3} = {R_4} = R = 10\\,\\,\\Omega ;{U_{AB}} = 20V\\). Điện trở của Ampe kế không đáng kể. Xác định số chỉ Ampe kế?

Phương pháp giải:
Vẽ lại mạch điện tương đương
Tính cường độ dòng điện qua các điện trở
Áp dụng định lí nút: Tổng các cường độ dòng điện đến một nút bằng tổng các cường độ dòng điện ra khỏi nút đó.
Giải chi tiết:
Ampe kế lí tưởng, chập điểm \(C \equiv B\), ta có mạch điện tương đương:
Cường độ dòng điện qua điện trở R1 là:
\({I_1} = \dfrac{{{U_1}}}{{{R_1}}} = \dfrac{{{U_{AB}}}}{{{R_1}}} = \dfrac{{20}}{{10}} = 2\,\,\left( A \right)\)
Điện trở tương đương: \({R_{234}} = {R_2} + {R_{34}} = {R_2} + \dfrac{{{R_3}.{R_4}}}{{{R_3} + {R_4}}} = 10 + \dfrac{{10.10}}{{10 + 10}} = 15\,\,\left( \Omega \right)\)
\(\begin{array}{l} \Rightarrow {I_{234}} = \dfrac{{{U_{234}}}}{{{R_{234}}}} = \dfrac{{{U_{AB}}}}{{{R_{234}}}} = \dfrac{{20}}{{15}} = \dfrac{4}{3}\,\,\left( A \right)\\ \Rightarrow {I_2} = {I_{234}} = \dfrac{4}{3}\,\,\left( A \right)\end{array}\)
Ta thấy: \(\left\{ \begin{array}{l}{R_3}//{R_4}\\{R_3} = {R_4}\end{array} \right. \Rightarrow {I_3} = {I_4} = \dfrac{{{I_2}}}{2} = \dfrac{{\dfrac{4}{3}}}{2} = \dfrac{2}{3}\,\,\left( A \right)\)
Ta có chiều dòng điện:
Tại nút C, ta có: \({I_A} = {I_1} + {I_3} = 2 + \dfrac{2}{3} = \dfrac{8}{3}\,\,\left( A \right) \approx 2,67\,\,\left( A \right)\)
Chọn D.
Người chỉ huy đoàn tham hiểm lần đầu tiên đi vòng quanh trái đất bằng đường biển là
Công trình kiến trúc tiêu biểu của vương quốc Lào thời phong kiến là
Pha Ngừm đã thành lập nước Lan Xang vào năm nào?
Kinh đô của nước ta dưới thời Ngô là
Bằng kiến thức đã học về cuộc kháng chiến chống quân xâm lược Tống (1075 - 1077), em hãy:
a. Chỉ ra những nét độc đáo trong cách đánh giặc của Lý Thường Kiệt?
b. Đánh giá vai trò của Lý Thường Kiệt trong cuộc kháng chiến?
Em hãy trình bày sự hình thành và phát triển của các vương quốc phong kiến Đông Nam Á từ nửa sau thế kỷ X đến đầu thế kỷ XVI?
Quốc hiệu của nước ta dưới thời Đinh – Tiền Lê là
Công trình kiến trúc tiêu biểu của vương quốc Cam-pu-chia thời phong kiến là
Người Cam-pu-chia đã sáng tạo ra chữ viết vào thời gian nào?
Quê hương của phong trào văn hóa Phục hưng là